The Whale Research Institute is a 501(c)(3) Non Profit Organization        All Rights Reserved  •   ©2025

The Whale Research Institute designs, builds and deploys, highly sensitive, multi-spectrum, real-time analysis, sensor arrays and 360º sea surface imaging systems. Submerged arrays are built in to specialized carbon fiber housings for the purpose of ocean based, sub-surface, wave phenomena data acquisition, working in submerged ocean environments at various operating depths.


Several methods are employed to recover and distribute data from various placements of sensor array deployment to include long-range, high-power 5gHz wireless transmission or KuBand SAT interfaces, installed on-board what are known as “data buoys” Data buoys have the ability to distribute the acquired data, worldwide, in real-time; or as vessel towed, live monitored and recorded sensor arrays; or as static, anchored sensor arrays with land based and/or remote-record on-board controllers.


These arrays are designed specifically to listen “and see” the sub-sonic, sonic and ultra-sonic wave phenomena generated by whales, dolphins and other cetaceans, for various applications to include species tracking, marine research, oceanography, proximity warning systems for shipping and other related scientific research work. To “Listen” to a sonic (audible spectrum) sample recording, click on the “SOUND & Data Gallery” link above.


The Whale Research Institute employs 21st. Century technologies in all phases of designing and building scientific marine research instruments to include CAD, aerospace carbon fiber, CNC machining & water jet technologies, combined with high quality alloys, high modules resins & polymers.


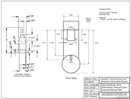
Here, we have posted on this page, some images from our shop, sensor build processes and beta testing to provide an insight in to the process.


NOTICE: Some technical information regarding sensor arrays and marine research instruments, designs, components & builds, has been intentionally omitted to protect proprietary and intellectual properties, pending patent filings, third party OEM patents and other rights.

The Whale Research Institute

Data Buoy & Sensor Lab Work

The Whale Research Institute

Pacific        Atlantic